
In a sealing application, backup rings provide added extrusion resistance and prevent damage to o-rings and seals when subjected to high pressures, larger extrusion gaps, and/or high temperatures.
Extrusion failure is one of the most common types of o-ring failure. When the internal pressure of an application becomes too great, the o-ring will actually extrude into the clearance gap. This extrudate will quickly be nibbled away causing a loss of material, and once sufficient material is lost, seal failure will quickly follow.
There are three options to prevent this, the first of which is to reduce the clearances to lower the extrusion gap. This is obviously an expensive option, so a cheaper solution is to raise the durometer of the o-ring. Even though a higher durometer o-ring offers superior extrusion resistance, this is often not a feasible solution due to material availability, and to the fact that harder durometer materials have limited low-pressure sealing ability. The last and best option is the addition of a backup ring. A backup ring is a ring of hard, extrusion resistant material such as high-durometer Nitrile, Viton® (FKM), or PTFE.
A backup ring is designed to fit between the o-ring and the extrusion gap and prevent the extrusion of the o-ring. Depending upon the direction of pressure in the sealing application, you can either use one backup ring or two backup rings. If unsure, it is always best to use two backup rings per one o-ring.
Basically, there are 4 types of back-up rings: flat/uncut, split/angle cut, spiral and contoured back-up rings. PTFE is considered to be the most commonly used material for back up rings. NBR rubber back-up rings are generally for contoured back-up ring to conform to an o-ring.






A Back-up Ring is an inflexible ring that holds an elastomeric seal to its outlined shape and in its right place. They are also called Anti Extrusion Rings and are typically used with O Rings to eliminate extrusion at high pressures.
For single acting applications – 1 Back-up Ring is sufficient, however for double acting applications – 2 Back-up Rings are necessary in order to prevent extrusion on both sides.

There are 3 types of PTFE Back-up Rings: Solid, Single Turn and Spiral Cut.


ในงานซีล, BACKUP RING ช่วยเพิ่มความต้านทานต่อการอัดรีดและป้องกันความเสียหายต่อโอริงและซีลเมื่อต้องเผชิญกับแรงดันสูง, ช่องว่างการอัดรีดที่ใหญ่ขึ้น และ/หรือ อุณหภูมิสูง ความเสียหายจากการอัดรีดเป็นหนึ่งในประเภทความเสียหายของโอริงที่พบบ่อยที่สุด เมื่อแรงดันภายในของงานมากเกินไป โอริงจะอัดรีดเข้าไปในช่องว่าง ซึ่งส่วนที่ยื่นออกมานี้จะถูกกัดกินอย่างรวดเร็ว ทำให้สูญเสียวัสดุ และเมื่อสูญเสียวัสดุเพียงพอ การซีลจะล้มเหลวตามมาอย่างรวดเร็ว มีสามทางเลือกในการป้องกันสิ่งนี้ ทางเลือกแรกคือการลดช่องว่างเพื่อลดช่องว่างการอัดรีด ซึ่งเป็นทางเลือกที่มีค่าใช้จ่ายสูง ดังนั้น วิธีแก้ปัญหาที่ถูกกว่าคือการเพิ่มความแข็งของโอริง แม้ว่าโอริงที่มีความแข็งสูงกว่าจะมีความต้านทานต่อการอัดรีดที่เหนือกว่า แต่ก็มักจะไม่ใช่วิธีแก้ปัญหาที่เป็นไปได้เนื่องจากความพร้อมของวัสดุ และข้อเท็จจริงที่ว่าวัสดุที่มีความแข็งสูงกว่ามีความสามารถในการซีลแรงดันต่ำที่จำกัด ทางเลือกสุดท้ายและดีที่สุดคือการเพิ่ม BACKUP RING
BACKUP RING คือแหวนที่ทำจากวัสดุแข็งที่ทนทานต่อการอัดรีด เช่น ไนไตรล์ที่มีความแข็งสูง, Viton® (FKM) หรือ PTFE BACKUP RING ได้รับการออกแบบมาให้พอดีระหว่างโอริงและช่องว่างการอัดรีด และป้องกันการอัดรีดของโอริง ขึ้นอยู่กับทิศทางของแรงดันในงานซีล คุณสามารถใช้ BACKUP RING หนึ่งวงหรือสองวงก็ได้ หากไม่แน่ใจ ควรใช้ BACKUP RING สองวงต่อโอริงหนึ่งวงเสมอ
BACKUP RING / แหวนป้องกันการอัดรีดคืออะไร? BACKUP RING คือแหวนที่ไม่ยืดหยุ่นซึ่งยึดซีลอีลาสโตเมอร์ให้อยู่ในรูปทรงที่กำหนดไว้และอยู่ในตำแหน่งที่ถูกต้อง เรียกอีกอย่างว่าแหวนป้องกันการอัดรีดและโดยทั่วไปจะใช้กับโอริงเพื่อกำจัดการอัดรีดที่แรงดันสูง สำหรับงานแบบ single acting - BACKUP RING 1 วงก็เพียงพอ อย่างไรก็ตาม สำหรับงานแบบ double acting - จำเป็นต้องมี BACKUP RING 2 วงเพื่อป้องกันการอัดรีดทั้งสองด้าน
มี BACKUP RING PTFE 3 ประเภท: แบบตัน, แบบ single turn และแบบ spiral cut BACKUP RING PTFE แบบตันอาจติดตั้งยากหรือแทบจะเป็นไปไม่ได้ ขึ้นอยู่กับการกำหนดค่าเนื่องจาก PTFE ไม่มีความยืดหยุ่นเพียงพอ ต้อง 'ซ่อมแซม' BACKUP RING หลังจากติดตั้งในร่องเพื่อให้กลับสู่ขนาดปกติ BACKUP RING แบบ single turn และแบบ spiral cut แก้ไขปัญหานี้ได้เนื่องจากสามารถเปิดได้เล็กน้อยในกระบวนการติดตั้งโดยไม่ทำให้เสียรูปทรง BACKUP RING PTFE ที่ตัดเป็นเกลียวเป็นที่นิยมมากเนื่องจากช่วยให้การติดตั้งเหมาะสมและค่อนข้างปฏิเสธช่องว่างการอัดรีดในแหวน นอกจากนี้ แหวนที่ผ่าทั้งหมดมีแนวโน้มที่จะได้รับความเสียหายระหว่างกระบวนการติดตั้ง
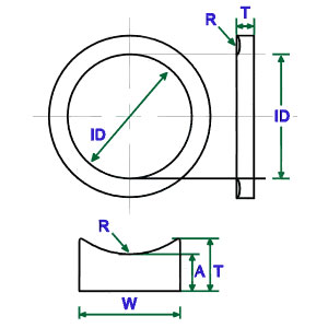
เมื่อเลือก BACKUP RING ที่เหมาะสมสำหรับงานของคุณ สิ่งสำคัญคือต้องทราบข้อมูลจำเพาะที่สำคัญที่สุด:
การใช้ BACKUP RING อาจเป็นวิธีแก้ปัญหาที่ใช้ได้จริงในการปิดกั้นช่องว่างและให้การรองรับโอริงเมื่อความเค้นบนโอริงเพิ่มขึ้นจนถึงจุดที่ไม่สามารถทนต่อการถูกอัดรีดเข้าไปในช่องว่างได้ BACKUP RING ทำจากวัสดุที่แข็งและแข็งกว่าโอริง อย่างไรก็ตาม ยังคงมีความยืดหยุ่นเพียงพอที่จะเปลี่ยนรูปภายใต้ความเค้นเพื่อปิดช่องว่าง ร่องโอริงมีขนาดใหญ่ขึ้นเพื่อให้สามารถใช้ BACKUP RING ได้ สามารถใช้วัสดุหลายชนิดสำหรับ BACKUP RING เช่น PTFE, โลหะ หรือยางแข็ง PTFE มีประโยชน์คือมีแรงเสียดทานต่ำมากในงานแบบไดนามิก




บริษัท โฟลว์ เอ็นจิเนียริ่ง แอนด์ เซอร์วิส จำกัด (สำนักงานใหญ่)
082 415 6491
sales@flowengineering.net